Toro T2500 Generator . toro genuine parts parts & manuals where to buy t2500 and t3000 electric generators. This manual will cover both single and dual voltage models of the t2500 and t3000. repair parts lookup and oem diagrams for outdoor equipment like toro lawn mowers, cub cadet tractors, husqvarna chainsaws,.
from www.partstree.com
repair parts lookup and oem diagrams for outdoor equipment like toro lawn mowers, cub cadet tractors, husqvarna chainsaws,. t2500 and t3000 electric generators. This manual will cover both single and dual voltage models of the t2500 and t3000. toro genuine parts parts & manuals where to buy
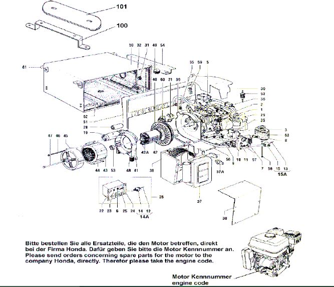
Toro 62027 (T 2500 D) Toro Generator (SN 004000001 004999999
Toro T2500 Generator repair parts lookup and oem diagrams for outdoor equipment like toro lawn mowers, cub cadet tractors, husqvarna chainsaws,. toro genuine parts parts & manuals where to buy This manual will cover both single and dual voltage models of the t2500 and t3000. repair parts lookup and oem diagrams for outdoor equipment like toro lawn mowers, cub cadet tractors, husqvarna chainsaws,. t2500 and t3000 electric generators.
From www.jackssmallengines.com
Toro 62025, Generator, T2500, 1988 (SN 80000018999999) Parts Diagram Toro T2500 Generator repair parts lookup and oem diagrams for outdoor equipment like toro lawn mowers, cub cadet tractors, husqvarna chainsaws,. t2500 and t3000 electric generators. toro genuine parts parts & manuals where to buy This manual will cover both single and dual voltage models of the t2500 and t3000. Toro T2500 Generator.
From www.jackssmallengines.com
Toro 62025, Generator, T2500, 1987 (SN 70000017999999) Parts Diagram Toro T2500 Generator t2500 and t3000 electric generators. This manual will cover both single and dual voltage models of the t2500 and t3000. toro genuine parts parts & manuals where to buy repair parts lookup and oem diagrams for outdoor equipment like toro lawn mowers, cub cadet tractors, husqvarna chainsaws,. Toro T2500 Generator.
From www.partstree.com
Toro 62005 (T 500) Toro Generator (SN 005000001 005999999) (1985 Toro T2500 Generator This manual will cover both single and dual voltage models of the t2500 and t3000. toro genuine parts parts & manuals where to buy t2500 and t3000 electric generators. repair parts lookup and oem diagrams for outdoor equipment like toro lawn mowers, cub cadet tractors, husqvarna chainsaws,. Toro T2500 Generator.
From www.jackssmallengines.com
Toro 62025, Generator, T2500, 1988 (SN 80000018999999) Parts Diagram Toro T2500 Generator toro genuine parts parts & manuals where to buy t2500 and t3000 electric generators. This manual will cover both single and dual voltage models of the t2500 and t3000. repair parts lookup and oem diagrams for outdoor equipment like toro lawn mowers, cub cadet tractors, husqvarna chainsaws,. Toro T2500 Generator.
From www.youtube.com
1988 Toro Generators YouTube Toro T2500 Generator t2500 and t3000 electric generators. toro genuine parts parts & manuals where to buy repair parts lookup and oem diagrams for outdoor equipment like toro lawn mowers, cub cadet tractors, husqvarna chainsaws,. This manual will cover both single and dual voltage models of the t2500 and t3000. Toro T2500 Generator.
From www.jackssmallengines.com
Toro 62005, Generator, T500, 1984 (SN 40000014999999) Parts Diagram Toro T2500 Generator toro genuine parts parts & manuals where to buy This manual will cover both single and dual voltage models of the t2500 and t3000. t2500 and t3000 electric generators. repair parts lookup and oem diagrams for outdoor equipment like toro lawn mowers, cub cadet tractors, husqvarna chainsaws,. Toro T2500 Generator.
From www.jackssmallengines.com
Toro 62025, Generator, T2500, 1987 (SN 70000017999999) Parts Diagram Toro T2500 Generator toro genuine parts parts & manuals where to buy t2500 and t3000 electric generators. This manual will cover both single and dual voltage models of the t2500 and t3000. repair parts lookup and oem diagrams for outdoor equipment like toro lawn mowers, cub cadet tractors, husqvarna chainsaws,. Toro T2500 Generator.
From www.k-bid.com
Toro T2500 Generator Dayton Big Boy Toy Sale KBID Toro T2500 Generator repair parts lookup and oem diagrams for outdoor equipment like toro lawn mowers, cub cadet tractors, husqvarna chainsaws,. t2500 and t3000 electric generators. toro genuine parts parts & manuals where to buy This manual will cover both single and dual voltage models of the t2500 and t3000. Toro T2500 Generator.
From www.govdeals.com
Toro T2500 Generator GovDeals Toro T2500 Generator t2500 and t3000 electric generators. repair parts lookup and oem diagrams for outdoor equipment like toro lawn mowers, cub cadet tractors, husqvarna chainsaws,. toro genuine parts parts & manuals where to buy This manual will cover both single and dual voltage models of the t2500 and t3000. Toro T2500 Generator.
From www.youtube.com
T2500H YouTube Toro T2500 Generator repair parts lookup and oem diagrams for outdoor equipment like toro lawn mowers, cub cadet tractors, husqvarna chainsaws,. This manual will cover both single and dual voltage models of the t2500 and t3000. toro genuine parts parts & manuals where to buy t2500 and t3000 electric generators. Toro T2500 Generator.
From www.jackssmallengines.com
Toro 62025, Generator, T2500, 1987 (SN 70000017999999) Parts Diagram Toro T2500 Generator This manual will cover both single and dual voltage models of the t2500 and t3000. repair parts lookup and oem diagrams for outdoor equipment like toro lawn mowers, cub cadet tractors, husqvarna chainsaws,. t2500 and t3000 electric generators. toro genuine parts parts & manuals where to buy Toro T2500 Generator.
From www.leisurespares.co.uk
T2500H Leisure Spares Toro T2500 Generator t2500 and t3000 electric generators. repair parts lookup and oem diagrams for outdoor equipment like toro lawn mowers, cub cadet tractors, husqvarna chainsaws,. toro genuine parts parts & manuals where to buy This manual will cover both single and dual voltage models of the t2500 and t3000. Toro T2500 Generator.
From stuartgroup.ltd.uk
Used Diesel & Gas Generators For Sale Stuart Group Ltd Toro T2500 Generator toro genuine parts parts & manuals where to buy repair parts lookup and oem diagrams for outdoor equipment like toro lawn mowers, cub cadet tractors, husqvarna chainsaws,. This manual will cover both single and dual voltage models of the t2500 and t3000. t2500 and t3000 electric generators. Toro T2500 Generator.
From www.toromowers.parts
Generators Toro Mower Parts Toro T2500 Generator toro genuine parts parts & manuals where to buy This manual will cover both single and dual voltage models of the t2500 and t3000. t2500 and t3000 electric generators. repair parts lookup and oem diagrams for outdoor equipment like toro lawn mowers, cub cadet tractors, husqvarna chainsaws,. Toro T2500 Generator.
From www.rollerauction.com
Toro T800 Generator Roller Auctions Toro T2500 Generator t2500 and t3000 electric generators. This manual will cover both single and dual voltage models of the t2500 and t3000. toro genuine parts parts & manuals where to buy repair parts lookup and oem diagrams for outdoor equipment like toro lawn mowers, cub cadet tractors, husqvarna chainsaws,. Toro T2500 Generator.
From www.jackssmallengines.com
Toro 62025, Generator, T2500, 1985 (SN 50000015999999) Parts Diagram Toro T2500 Generator repair parts lookup and oem diagrams for outdoor equipment like toro lawn mowers, cub cadet tractors, husqvarna chainsaws,. This manual will cover both single and dual voltage models of the t2500 and t3000. toro genuine parts parts & manuals where to buy t2500 and t3000 electric generators. Toro T2500 Generator.
From manualzz.com
Toro Generator, T3000 User manual Manualzz Toro T2500 Generator toro genuine parts parts & manuals where to buy t2500 and t3000 electric generators. This manual will cover both single and dual voltage models of the t2500 and t3000. repair parts lookup and oem diagrams for outdoor equipment like toro lawn mowers, cub cadet tractors, husqvarna chainsaws,. Toro T2500 Generator.
From oconnorslawn.com
Toro 75734 Zero Turn O'Connor's Lawn & Garden Toro T2500 Generator toro genuine parts parts & manuals where to buy t2500 and t3000 electric generators. repair parts lookup and oem diagrams for outdoor equipment like toro lawn mowers, cub cadet tractors, husqvarna chainsaws,. This manual will cover both single and dual voltage models of the t2500 and t3000. Toro T2500 Generator.